Our proportional actuator blocks can be mounted directly onto our HYDRA Part, Walvoil and Hydrocontrol hydraulic directional control valves.
This can be for many reasons such as inaccessibility of the valve, safety requirements or working at long distances.
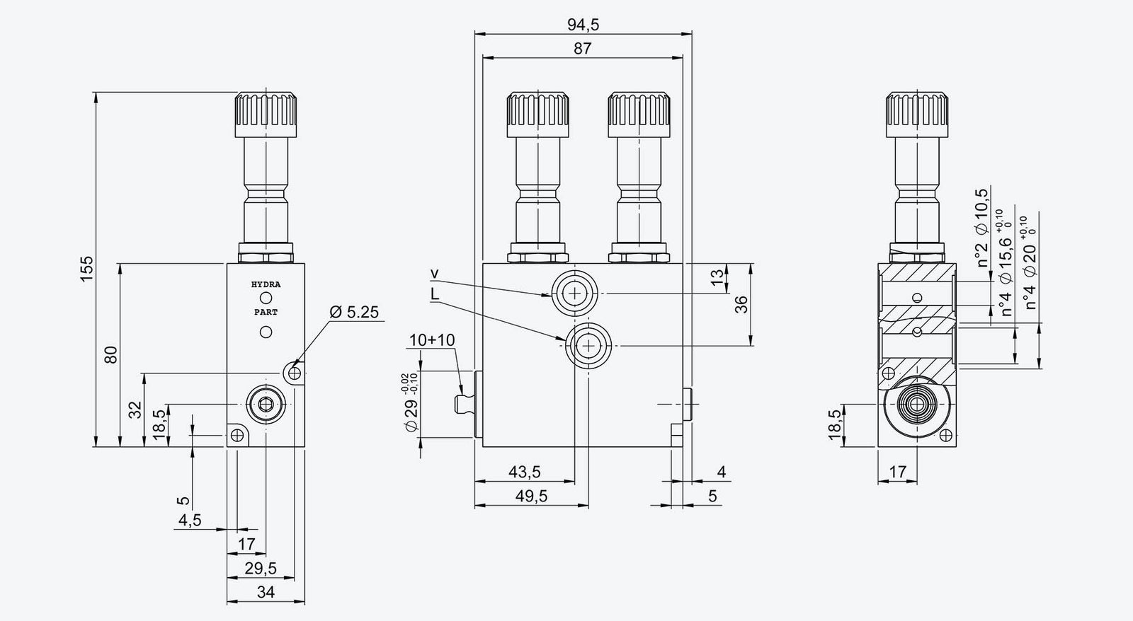
Each modules for 45L monoblock and 50L & 80L sectional valvesintegrate perfectly onto each individual block which can control one proportional function.
The units require a pilot feed that might already be available, but we can supply a simple to install ‘Pilot valve’ if required.
The direct installation on the back of the hydraulic valve guarantees precise mounting in a limited space, eliminating the risk of any future "mechanical plays".
The servo modules, coupled with our Scanreco Radio Remote Control Systems, gives the perfect flexibility and they can also be controlled with hard wired systems using PWM signalling.